Model : MM-CL

001-2.jpg


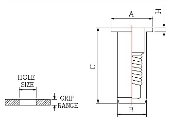
Specification
PART NO. THREAD SIZE GRIP RANGE HOLE SIZE A B max C H
SS.MM4-CL M4x0.7 0.5-2.5 6.00 9.00 5.97 16.50 0.80
SS.MM5-CL M5x0.8 0.5-3.0 7.00 10.00 6.97 19.00 1.00
SS.MM6-CL M6X1.0 0.5-3.0 9.00 12.00 8.97 22.50 1.50
SS.MM8-CL M8X1.25 0.7-3.5 11.00 15.00 10.97 25.00 1.50
SS.MM10-CL M10X1.5 1.0-4.0 13.00 17.00 12.97 30.00 2.00



Related Products

MF-CL

MF-CL

MAF

MAF

GS

GS

ME-CL

ME-CL

HD-CL

HD-CL

MF

MF

HD

HD

MEF

MEF