Type:Round body, Reduced Head, Open End.
Material:Stainless Steel

004-2.jpg


Specification
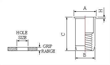
PART NO. THREAD SIZE GRIP RANGE HOLE SIZE A B max C H
SS.ME3 M3x0.5 0.5-2.0 5.00 5.90 4.97 9.00 0.50
SS.ME4 M4x0.7 0.5-2.5 6.00 6.80 5.97 11.00 0.50
SS.ME5 M5x0.8 0.5-3.0 7.00 8.00 6.97 12.00 0.50
SS.ME6 M6X1.0 0.5-3.0 9.00 10.00 8.97 14.50 0.50
SS.ME8 M8X1.25 0.5-3.0 11.00 12.00 10.97 16.50 0.50
SS.ME10 M10X1.5 1.0-3.5 13.00 14.10 12.97 19.50 0.60


Related Products

MA

MA

HB-CL

HB-CL

HD-CL

HD-CL

MM

MM

MF

MF

GS-R

GS-R

MM-CL

MM-CL

HD

HD