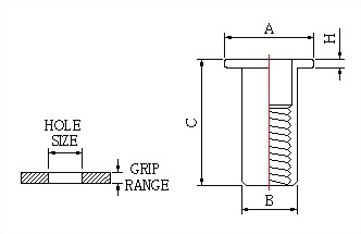
| PART NO. | THREAD SIZE | GRIP RANGE | HOLE SIZE | A | B max | C | H |
|---|---|---|---|---|---|---|---|
| A.FN632-75 | 6-32 | .010-.075 | .189 | .325 | .189 | .470 | .032 |
| A.FN632-120 | 6-32 | .075-.120 | .189 | .325 | .189 | .532 | .032 |
| A.FN832-75 | 8-32 | .010-.075 | .221 | .357 | .221 | .470 | .032 |
| A.FN832-120 | 8-32 | .075-.120 | .221 | .357 | .221 | .532 | .032 |
| A.FN1032-80 | 10-32 UNF | .010-.080 | .250 | .406 | .250 | .569 | .038 |
| A.FN1032-130 | 10-32 UNF | .080-.130 | .250 | .406 | .250 | .632 | .038 |
| A.FN1/4-80 | 1/4-20 | .020-.080 | .332 | .475 | .332 | .683 | .058 |
| A.FN1/4-140 | 1/4-20 | .080-.140 | .332 | .475 | .332 | .745 | .058 |
| A.FN1/4-200 | 1/4-20 | .140-.200 | .332 | .475 | .332 | .808 | .058 |
| A.FN5/16-125 | 5/16-18 | .030-.125 | .413 | .665 | .413 | .812 | .062 |
| A.FN5/16-200 | 5/16-18 | .125-.200 | .413 | .665 | .413 | .937 | .062 |
| A.FN3/8-115 | 3/8-16 | .030-.115 | .490 | .781 | .490 | .932 | .088 |
| A.FN3/8-200 | 3/8-16 | .115-.200 | .490 | .781 | .490 | 1.026 | .088 |
| A FN5 | M5x0.8 | 0.25-2.0 | 6.75 | 10.00 | 6.3 | 14.00 | 1.00 |