024-2.jpg


Specification
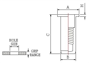
PART NO. THREAD SIZE GRIP RANGE HOLE SIZE A B max C H
MM4-CL M4x0.7 0.5-2.5 6.00 9.00 5.97 16.50 0.80
MM5-CL M5x0.8 0.5-3.0 7.00 10.00 6.97 18.00 1.00
MM6-CL M6X1.0 0.7-3.0 9.00 13.00 8.97 23.50 1.60
MM8-CL M8X1.25 0.7-3.0 11.00 16.00 10.97 26.00 1.50



Related Products

HB-CL

HB-CL

ME

ME

DH-CL

DH-CL

HE-CL

HE-CL

HD

HD

KN-CL

KN-CL

MAF

MAF

MF-CL

MF-CL