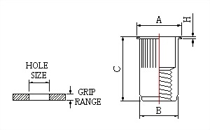
| PART NO. | THREAD SIZE | GRIP RANGE | HOLE SIZE | A | B max | C | H |
|---|---|---|---|---|---|---|---|
| KN4 | M4x0.7 | 0.5-2.0 | 6.75 | 7.87 | 6.73 | 11.15 | 0.48 |
| KN4 | M4x0.7 | 2.0-3.3 | 6.75 | 7.87 | 6.73 | 12.40 | 0.48 |
| KN5 | M5x0.8 | 0.5-3.3 | 7.60 | 8.64 | 7.52 | 12.55 | 0.48 |
| KN5 | M5x0.8 | 3.3-5.7 | 7.60 | 8.64 | 7.52 | 15.30 | 0.48 |
| KN6 | M6X1.0 | 0.7-4.2 | 10.00 | 11.50 | 9.91 | 15.25 | 0.55 |
| KN6 | M6X1.0 | 4.2-6.6 | 10.00 | 11.50 | 9.91 | 17.80 | 0.55 |
| KN8 | M8X1.25 | 0.7-3.8 | 13.50 | 15.10 | 13.46 | 18.08 | 0.55 |
| KN8 | M8X1.25 | 3.8-7.9 | 13.50 | 15.10 | 13.46 | 21.00 | 0.55 |
| KN10 | M10X1.5 | 0.7-3.8 | 13.50 | 15.10 | 13.46 | 18.08 | 0.55 |
| KN10 | M10X1.5 | 3.8-7.9 | 13.50 | 15.10 | 13.46 | 21.00 | 0.55 |
| KN632-80 | 6-32 | .020-.080 | .2656 | .310 | .265 | .439 | .019 |
| KN632-130 | 6-32 | .080-.130 | .2656 | .310 | .265 | .489 | .019 |
| KN832-80 | 8-32 | .020-.080 | .2656 | .310 | .265 | .439 | .019 |
| KN832-130 | 8-32 | .080-.130 | .2656 | .310 | .265 | .489 | .019 |
| KN1024-130 | 10-24 | .020-.130 | .2969 | .340 | .296 | .494 | .019 |
| KN1024-225 | 10-24 | .130-.225 | .2969 | .340 | .296 | .604 | .019 |
| KN1032-130 | 10-32 UNF | .020-.130 | .2969 | .340 | .296 | .494 | .019 |
| KN1032-225 | 10-32 UNF | .130-.225 | .2969 | .340 | .296 | .604 | .019 |
| KN1/4-165 | 1/4-20 | .027-.165 | .3906 | .455 | .390 | .602 | .022 |
| KN1/4-260 | 1/4-20 | .165-.260 | .3906 | .455 | .390 | .702 | .022 |
| KN5/16-150 | 5/16-18 | .027-.150 | .5312 | .595 | .530 | .712 | .022 |
| KN5/16-312 | 5/16-18 | .150-.312 | .5312 | .595 | .530 | .827 | .022 |
| KN3/8-150 | 3/8-16 | .027-.150 | .5312 | .595 | .530 | .712 | .022 |
| KN3/8-312 | 3/8-16 | .150-.312 | .5312 | .595 | .530 | .827 | .022 |