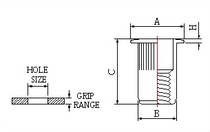
| PART NO. | THREAD SIZE | GRIP RANGE | HOLE SIZE | A | B max | C | H |
|---|---|---|---|---|---|---|---|
| DN4 | M4x0.7 | 0.5-2.0 | 6.75 | 9.91 | 6.73 | 11.43 | 0.76 |
| DN4 | M4x0.7 | 2.0-3.3 | 6.75 | 9.91 | 6.73 | 12.67 | 0.76 |
| DN8 | M8X1.25 | 3.8-7.9 | 13.50 | 17.40 | 13.46 | 21.35 | 0.89 |
| DN8 | M8X1.25 | 0.7-3.8 | 13.50 | 17.40 | 13.46 | 18.42 | 0.89 |
| DN6 | M6X1.0 | 4.2-6.6 | 10.00 | 12.70 | 9.91 | 18.00 | 0.76 |
| DN6 | M6X1.0 | 0.7-4.2 | 10.00 | 12.70 | 9.91 | 15.50 | 0.76 |
| DN5 | M5x0.8 | 0.5-3.3 | 7.60 | 10.50 | 7.52 | 12.80 | 0.76 |
| DN5 | M5x0.8 | 3.3-5.7 | 7.60 | 10.50 | 7.52 | 15.60 | 0.76 |
| DN10 | M10X1.5 | 0.7-3.8 | 13.50 | 17.40 | 13.46 | 18.40 | 0.89 |
| DN10 | M10X1.5 | 3.8-7.9 | 13.50 | 17.40 | 13.46 | 21.30 | 0.89 |
| DN632-80 | 6-32 | .020-.080 | .2656 | .390 | .265 | .450 | .030 |
| DN632-130 | 6-32 | .080-.130 | .2656 | .390 | .265 | .500 | .030 |
| DN832-80 | 8-32 | .020-.080 | .2656 | .390 | .265 | .450 | .030 |
| DN832-130 | 8-32 | .080-.130 | .2656 | .390 | .265 | .500 | .030 |
| DN1024-130 | 10-24 | .020-.130 | .2969 | .415 | .296 | .505 | .030 |
| DN1024-225 | 10-24 | .130-.225 | .2969 | .415 | .296 | .615 | .030 |
| DN1032-130 | 10-32 UNF | .020-.130 | .2969 | .415 | .296 | .505 | .030 |
| DN1032-225 | 10-32 UNF | .130-.225 | .2969 | .415 | .296 | .615 | .030 |
| DN1/4-165 | 1/4-20 | .027-.165 | .3906 | .500 | .390 | .610 | .030 |
| DN1/4-260 | 1/4-20 | .165-.260 | .3906 | .500 | .390 | .710 | .030 |
| DN5/16-150 | 5/16-18 | .027-.150 | .5312 | .685 | .530 | .725 | .035 |
| DN5/16-312 | 5/16-18 | .150-.312 | .5312 | .685 | .530 | .840 | .035 |
| DN3/8-150 | 3/8-16 | .027-.150 | .5312 | .685 | .530 | .725 | .035 |
| DN3/8-312 | 3/8-16 | .150-.312 | .5312 | .685 | .530 | .840 | .035 |
| DN1/2-200 | 1/2-13 | .063-.200 | .6875 | .865 | .685 | 1.197 | .047 |
| DN1/2-350 | 1/2-13 | .200-.350 | .6875 | .865 | .685 | 1.347 | .047 |
| DN1/2-500 | 1/2-13 | .350-.500 | .6875 | .865 | .685 | 1.497 | .047 |