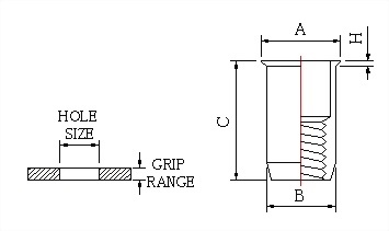
| PART NO. | THREAD SIZE | GRIP RANGE | HOLE SIZE | A | B max | C | H |
|---|---|---|---|---|---|---|---|
| A.ME3 | M3x0.5 | 0.3-1.5 | 5.00 | 5.60 | 4.97 | 8.50 | 0.35 |
| A.ME4 | M4x0.7 | 0.5-2.0 | 6.00 | 7.00 | 5.97 | 10.00 | 0.50 |
| A.ME5 | M5x0.8 | 0.5-3.0 | 7.00 | 8.00 | 6.97 | 12.00 | 0.50 |
| A.ME5 | M5x0.8 | 3.0-4.5 | 7.00 | 8.00 | 6.97 | 13.50 | 0.50 |
| A.ME6 | M6X1.0 | 0.5-3.0 | 9.00 | 10.00 | 8.97 | 15.00 | 0.50 |
| A.ME6 | M6X1.0 | 3.0-4.5 | 9.00 | 10.00 | 8.97 | 16.50 | 0.50 |
| A.ME8 | M8X1.25 | 0.5-3.0 | 11.00 | 12.00 | 10.97 | 16.00 | 0.50 |